WX WXD型小型十字轴万向联轴器
PDF下载
产品描述
WX.WXD型小型十字轴
万向联轴器(JB/T 5901-1991)
万向联轴器(JB/T 5901-1991)
![]() |
♦结构特点:
1. 适用于联接空间同一平面上两轴轴线夹角的传动场合,传递公称转矩11.2-1120N-m,每节最大轴间
夹角450°
2. 成品孔公差H7,可根据要求开键槽、六角孔和四方孔。
3. 允许两轴间夹角在限定的范围内随工作需要而变动。
1. 适用于联接空间同一平面上两轴轴线夹角的传动场合,传递公称转矩11.2-1120N-m,每节最大轴间
夹角450°
2. 成品孔公差H7,可根据要求开键槽、六角孔和四方孔。
3. 允许两轴间夹角在限定的范围内随工作需要而变动。
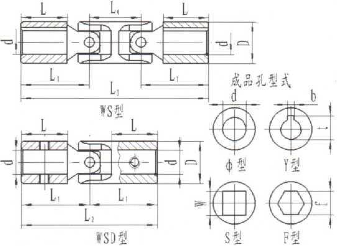
WX、WXD型(小型)
十字轴万向联轴器的基本参数和主要尺寸(JB/T 5901-1991) /mm
十字轴万向联轴器的基本参数和主要尺寸(JB/T 5901-1991) /mm
| 型号 | 公称转矩 N • m |
dmax | D | L | Li < | L2 | L3 | U | 转动惯量kg-m | |
| WXD型 | WX型 | |||||||||
| WX1 WXD 1 |
11.2 | 10 | 16 | 22 | 30 | 60 | 80 | 20 | 0.05 | 0.07 |
| WX2 WXD 2 |
22.4 | 12 | 20 | 22 | 32 | 64 | 90 | 26 | 0.09 | 0.15 |
| WX3 WXD 3 |
45 | 14 | 25 | 27 | 40 | 80 | 112 | 32 | 0.15 | 0.22 |
| WX4 WXD 4 | 71 | 18 | 32 | 30 | 46 | 92 | 130 | 38 | 0.32 | 0.49 |
| WX5 WXD 5 | 140 | 22 | 40 | 38 | 58 | 116 | 164 | 48 | 0.59 | 0.91 |
| WX6 WXD 6 | 280 | 28 | 50 | 44 | 69 | 138 | 196 | 58 | L03 | 1.64 |
| WX7 WXD7 |
560 | 35 | 60 | 60 | 91 | 182 | 252 | 70 | 2.31 | 3.38 |
| WX8 WXD 8 | 1120 | 42 | 75 | 84 | 122 | 244 | 336 | 92 | 4.41 | 6.63 |
♦注:L表中联轴器重量,转动惯量是近似值。2.当轴线夹角B尹0时,联轴器的许用转矩[T]=Tncos8。3.中间轴尺寸L1可根据需要确定。
♦标记说明:a.联轴器型号,WXD-单十字型:WX一双十字型
B.轴孔型式:0)一光圆柱孔,带锥销孔:Y带键圆柱孔,带紧钉。轴孔及键型与尺寸符合GB/T 3852-1997规定。S-四方形孔,带紧钉; F六角型孔,
带紧钉。
♦标记示例:WX4双十字轴万向联轴器。主动端:Y型轴孔,A型键槽,d=16nm从动端:S型轴孔,W=18nm标记为:WX4YA16/S18
.安装及选用:要保证旋转运动的等角速和主、从动轴之间保持同步转动,应选用双十字轴万向联轴器或两个单十字轴万向联轴器组合在一起,并满足 以下三个条件:1.中间轴与主、从动轴间的夹角相等:2.中间轴两端叉头的对祢面在同一平面内;3.中间轴与主从动轴三轴线在同一平面内。
♦安装单十字轴万向联轴器时,主、从动端角速度不等,主、从动轴之间不能保持同步转动,其不同步性随着夹角8而变。
♦标记说明:a.联轴器型号,WXD-单十字型:WX一双十字型
B.轴孔型式:0)一光圆柱孔,带锥销孔:Y带键圆柱孔,带紧钉。轴孔及键型与尺寸符合GB/T 3852-1997规定。S-四方形孔,带紧钉; F六角型孔,
带紧钉。
♦标记示例:WX4双十字轴万向联轴器。主动端:Y型轴孔,A型键槽,d=16nm从动端:S型轴孔,W=18nm标记为:WX4YA16/S18
.安装及选用:要保证旋转运动的等角速和主、从动轴之间保持同步转动,应选用双十字轴万向联轴器或两个单十字轴万向联轴器组合在一起,并满足 以下三个条件:1.中间轴与主、从动轴间的夹角相等:2.中间轴两端叉头的对祢面在同一平面内;3.中间轴与主从动轴三轴线在同一平面内。
♦安装单十字轴万向联轴器时,主、从动端角速度不等,主、从动轴之间不能保持同步转动,其不同步性随着夹角8而变。


咨询热线
