SWC BF型标准伸缩法兰型整体叉头十字轴式
PDF下载
产品描述
SNCBF型(标准伸缩法兰型)整体叉头十字轴式
万向联轴器(JB/T 5513-1991)
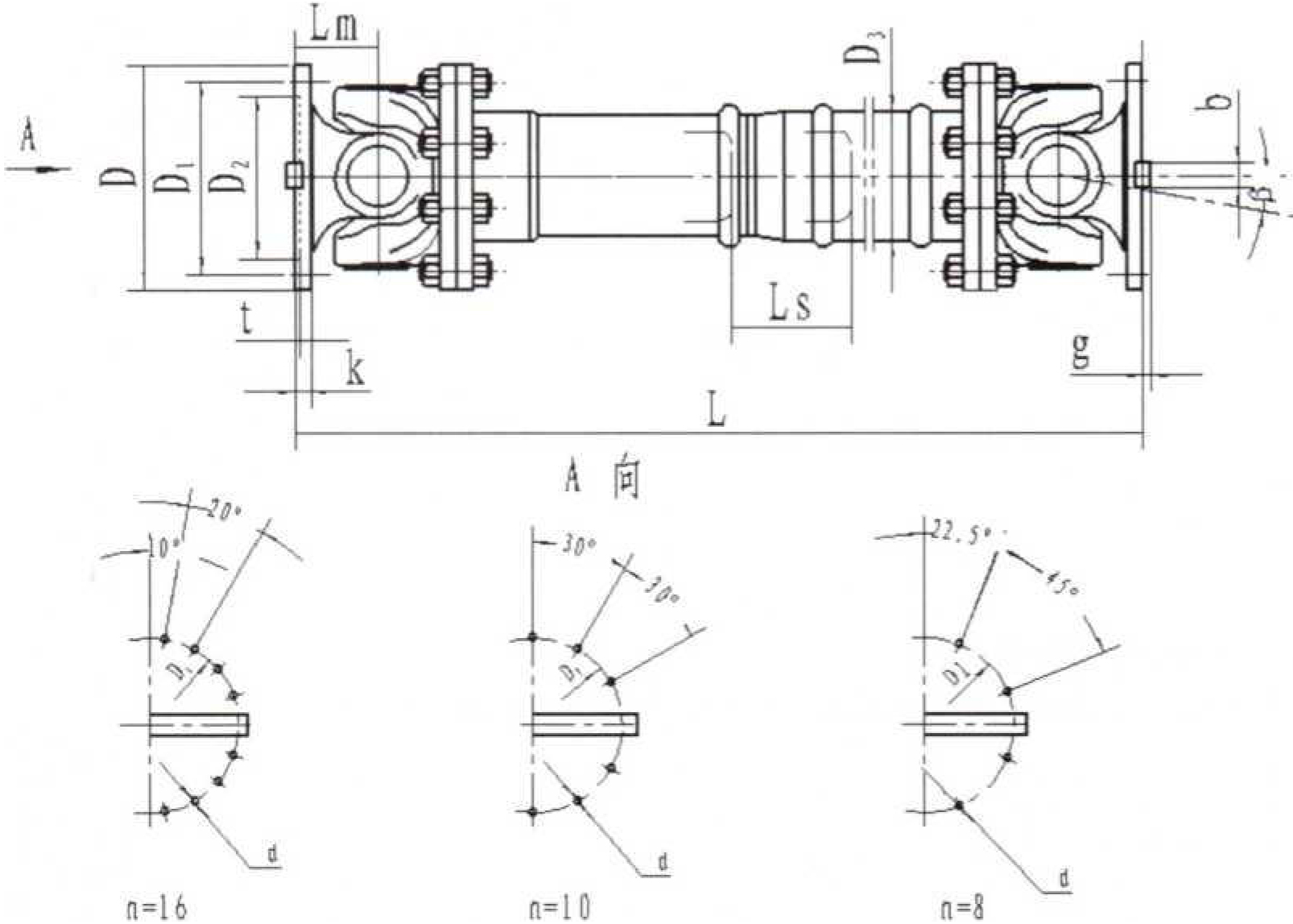
SWC BF型(标准伸缩焊接型)
整体叉头十字轴式万向联轴器基本参数和主要尺寸(JB/T 5513-1991)
万向联轴器(JB/T 5513-1991)
![]() |
SWC BF型(标准伸缩焊接型)
整体叉头十字轴式万向联轴器基本参数和主要尺寸(JB/T 5513-1991)
| 型号 | 回转 直径 D mm |
额定 转矩 Tn KN • m |
疲劳 转矩 Tf kN・m |
轴线折 角 B (° ) |
伸 缩 量 Ls mm |
Lmin | 尺寸 mm |
转动惯量 kg • m2 |
质量 kg |
||||||||||
| DI jsll |
D2 H7 |
D3 | L | n-d | k | t | b h9 |
g | Lmin | 増长 100mm |
Lmin | 增长 100m m |
|||||||
| SWC180BF | 180 | 12.5 | 6.3 | W15 | 100 | 810 | 155 | 105 | 114 | 110 | 8-17 | 17 | 5 | - | - | 0. 267 | 0. 0070 | 80 | 2.8 |
| SWC225BF | 225 | 40 | 20 | W15 | 140 | 920 | 196 | 135 | 152 | 120 | 8-17 | 20 | 5 | 32 | 9.0 | 0. 788 | 0. 0234 | 138 | 4.9 |
| SWC250BF | 250 | 63 | 31.5 | W15 | 140 | 1035 | 218 | 150 | 168 | 140 | 8-19 | 25 | 6 | 40 | 125 | 1.445 | 0. 0277 | 196 | 5.3 |
| SWC285BF | 285 | 90 | 45 | W15 | 140 | 1190 | 245 | 170 | 194 | 160 | 8-21 | 27 | 7 | 40 | 15.0 | 2. 873 | 0. 0510 | 295 | 6.3 |
| SWC315BF | 315 | 125 | 63 | W15 | 140 | 1315 | 280 | 185 | 219 | 180 | 10-23 | 32 | 8 | 40 | 15.0 | 5. 094 | 0. 0795 | 428 | 8.0 |
| SWC350BF | 350 | 180 | 90 | W15 | 150 | 1410 | 310 | 210 | 267 | 194 | 10-23 | 35 | 8 | 50 | 16.0 | 9. 195 | 0. 2219 | 932 | 15.0 |
| SWC390BF | 390 | 250 | 125 | W15 | 170 | 1590 | 345 | 235 | 267 | 215 | 10-25 | 40 | 8 | 70 | 18.0 | 16. 62 | 0. 2219 | 817 | 15.0 |
| SWC440BF | 440 | 355 | 180 | W15 | 190 | 1875 | 390 | 255 | 325 | 260 | 16-28 | 42 | 10 | 80 | 20. 0 | 28. 24 | 0. 4744 | 1290 | 21.7 |
| SWC490BF | 490 | 500 | 250 | W15 | 190 | 1985 | 435 | 275 | 325 | 270 | 16-31 | 47 | 12 | 90 | 22.5 | 46. 33 | 0. 4744 | 1631 | 21.7 |
| SWC550BF | 550 | 710 | 355 | W15 | 240 | 2300 | 492 | 320 | 426 | 305 | 16-31 | 50 | 12 | 100 | 22.5 | 86. 98 | 1. 3570 | 2567 | 34.0 |
| SWC620BF | 620 | 1000 | 500 | W15 | 240 | 2500 | 555 | 380 | 426 | 340 | 16-38 | 55 | 12 | 100 | 25.0 | 147. 50 | 1. 3570 | 3267 | 34.0 |
♦注:I.Tf-在变负荷下按疲劳强度所允许的转矩。2.Lmin-缩短后的最小长度。3.L-安装长度,按需要确定


咨询热线
